| |
 |
| |
|
| |
|
|
| |
|
| |
● 1区、2区危险场所
● IIA、IIB类爆炸性气体环境 |
| |
|
| |
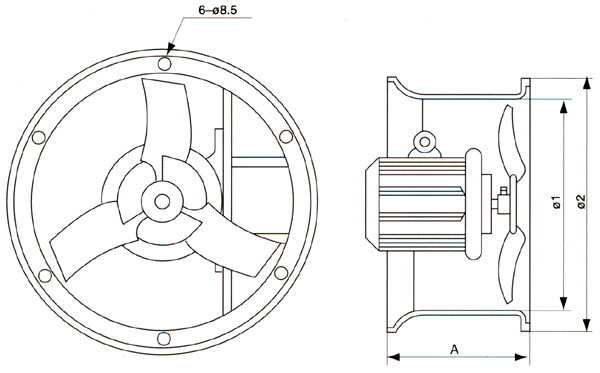
● 防爆轴流风机由防爆电机、叶片、风筒等部件组成。
● 钢管或电缆布线均可。 |
|
|
| |
|
| |
| |
产品型号 |
防爆标志 |
出线口螺纹
(G") |
叶轮直径
(mm) |
功率
(kW) |
主轴转数
(r/min) |
风量
(m3/h) |
电缆外径
(∮,mm) |
额定电压
(V) |
质量
(Kg) |
BAF-300 |
Exd II BT4 |
3/4 |
0.25 |
300 |
1450 |
2280 |
10-14
|
380
220 |
16 |
BAF-400 |
0.37 |
400 |
2880 |
19 |
BAF-500 |
0.55 |
500 |
5900 |
23 |
BAF-600 |
0.75 |
600 |
8700 |
28 |
|
| |
| |
 |
|