深圳亚威华公司 销售部电话:0755-25887166,25887236 传真:25887232
 
 
 BHD52 防爆吊灯盒(IIB、e)
 
 
 
 
 
 
 适用范围
 
 

10、11区危险场所

IIA、IIB类爆炸性气体环境

* 如需要增安型请注明

 
 
 主要技术参数
 
进线口螺纹(G")
电缆外径(∮,mm)
防护等级
防爆标志
G3/4
10~14
IP54
*IP55
Exd II BT6
*Exe II T5
 
 
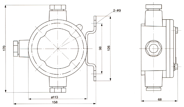
 外形及安装举例
 
 
返回首页
公司简介 | 人才招聘 | 网站导航 | 请您留言 | 友情链接 | ENGLISH
销售部电话:0755-25887166,25887236 传真:25887232
中国报警器网 guowei.com 2006. 版权所有 深圳亚威华公司
通用网址中国报警器 网管: ywh1995@126.com