深圳亚威华公司 销售部电话:0755-25887166,25887236 传真:25887232
 
 
------------特安点型可燃气体探测器TON96T
 

 

 
  TON96T技术参数
 
     
 

■检测原理:半导体式
■检测气体:可燃气体
■报警方式:声,光报警
■输 出:一组常开触点输出
■触点容量:AC220V/1A
            24V/A
■测量精度:±5%FS
■信号输出:总线信号
■工作电压:DC24V
■功 耗:<3W
■湿度范围:10-95%RH(无凝露)
■温度范围:-40℃-+70℃

 
     
 
  点型探测器TON96T特点
 

 

产品特点
测量精度高
采用进口气体敏感元件,精度高、可靠性强。
总线制连接
总线传输(四总线)两根电源线,两根信号线。
电源
AC220V供电。
 
 
  推测器安装固定
 
   

首先确定好安装位置。
打开探测器上盖(逆时针旋转约5度即可)。
将探测器底座置于安装位置,在安装墙壁对应探测器底座
三个安装孔位作好打孔标记。取下探测器底座。
在墙壁安装孔位打好安装孔放入随机附件安装胶塞。
将探测器重新放回安装位置,使用随机安装附件自攻螺钉
将探测器底座固定在安装位置,将电源线及信号总线接于
对应接线端子,重新盖好探测器上盖至此,气体报警探测
器已安装完毕。

 
 
 
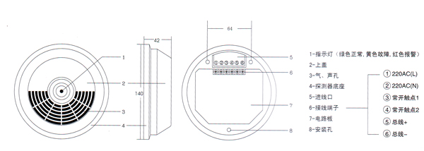
  总结构图
 
 
  与控制器的线路连接
 
 
 
返回首页
公司简介 | 人才招聘 | 网站导航 | 请您留言 | 友情链接 | ENGLISH
销售部电话:0755-25887166,25887236 传真:25887232
中国报警器网 guowei.com 2006. 版权所有 深圳亚威华公司
通用网址中国报警器 网管: ywh1995@126.com