深圳亚威华公司 销售部电话:0755-25887166,25887236 传真:25887232
TONS-90A系列报警器输出控制接口

>> > 技术指标:

输入信号:配接TON90A系列报警器的二段报警光电耦合输出。
输出信号:分别对应二段报警光耦信号,输出二组继电器触点信号(常开
或常闭)。
触点容量:输出继电器触点容量为22OV/10A。
电 源:220V/50Hz。

连接端子图


>> > 电 路 连 线 < <<

 
TONS-90A系列报警器备用电源


>> > 技术指标:
工作电压:220V/50HZ

蓄电池容量:12V/18V/7AH
最大负载:最多可驱动8路YONS-90A系列报警器。

>> > 外型结构:

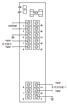
>> > 连接端子图:

>> > 电路接线图:

注意:以上电路边线方法需在定货时,用户提出要接备用电源的前提下,由厂家提供可
接备用电源的TONS-90A系列报警器,再按上图连接。

返回首页
公司简介 | 人才招聘 | 网站导航 | 请您留言 | 友情链接 | ENGLISH
销售部电话:0755-25887166,25887236 传真:25887232
中国报警器网 guowei.com 2006. 版权所有 深圳亚威华公司
通用网址中国报警器 网管: ywh1995@126.com